
閥門知識
閥門首頁 > 閥門知識 > 上裝閘式 金屬硬密封電動蝶閥 產品概述 上裝閘式金屬硬密封 蝶閥 是在多層次三偏心金屬硬密封蝶閥的基礎上,開發的又一款新產品。除...
近些年,隨著電動 閥門 的快速發展,閥門的種類也在不斷的增加。面對眾多的電動 球閥 型號,著實讓廣大消費者感到困難,所以在購買時...
法蘭式電動球閥 球閥配上 電動 執行器 . 電動執行器的執行速度相對較快,并且不需要工人親力親為,在很大程度上節約了人力資源以及時間...
如何正確處理 電動截止閥 的內漏外漏問題呢?上海湖泉閥門技術人員為你回答: 外漏還好處理,對于中法蘭漏的,把中法蘭的 螺栓 再緊...
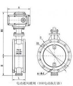
上海湖泉 電動蝶閥 有開關型和智能型二種, 蝶閥 與DSR執行機構配套,輸入控制信號(4~20mADC或1~5VDC)及單相電源即可控制運轉,具有功能...
在石油、化工、制藥、化肥、電力行業等領域,氯氣由于其優越的氧化性能,經常在化工反應中被用作氧化劑,同樣由于其劇毒性質被人們...
電動高溫高壓焊接截止閥 如何選型呢? 多回轉閥門電動裝置 ,簡稱為DZW型電裝,是閥門實現開啟、關閉或調節控制的驅動設備。Z型電裝適...
電磁閥 是電磁線圈通電后產生磁力吸引克服彈簧的壓力帶動閥芯動作,就一電磁線圈,結構簡單,價格便宜,只能實現開關; 電動閥 是通過...
一、上海湖泉閥門生產的 電動UPVC球閥 是球閥產品的一種,適用于純水、高低溫之藥液、食品、溫泉水及民生用熱水輸送系統公稱通徑15-1...
1、 電動煙道蝶閥廠家 在非工作時間中,閥門關閉,防止大的灰渣進入管道,保護管道生產的安全及可持續進行。本閥采用與閥體相同材料...